产品简介 / INTRODUCTION
产品参数PRODUCT PARAMETERS

【阻值】阻值低值0.00005欧
【精度】±5%
【功率】高达30W的永久功率
【产品特点】耐高温,低电阻温度系数
【产品结构】电子束焊接结构
【产品要求】符合ROHS要求
【特别说明】特殊规格可以订做
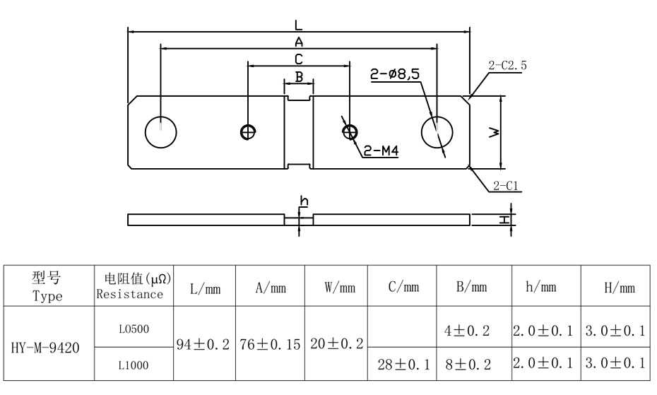
尺寸规格SIZE SPECIFICATION

品名构成NAME FORMATION

应用领域APPLICATION AREA

产品特性CHARACTERISTICS

产品包装PACKING
散装,内外包装
产品简介/ INTRODUCTION产品参数PRODUCT PARAMETERS【阻值】阻值低值0.00005欧【精度】±5%【功率】高达30W的永久功率【产品特点】耐高温,低电阻温度系数【产品结构】电子束焊接结构【产品要求】符合ROHS要求【特别说明】特殊规格可以订做尺寸规格SIZE SPECIFICATION品名构成NAME FORMATION应用领域APPLICATION AREA











散装,内外包装