产品简介 / INTRODUCTION
产品参数PRODUCT PARAMETERS

电气规格ELECTRICAL SPECIFICATIONS

类型名称TYPE DESIGNATION

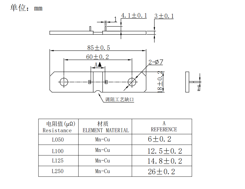
尺寸规格DIMENSIONS DATA

特性CHARACTERISTICS

编带包装TAPE PACKING

产品简介/ INTRODUCTION产品参数PRODUCT PARAMETERS电气规格ELECTRICAL SPECIFICATIONS类型名称TYPE DESIGNATION尺寸规格DIMENSIONS DATA特性CHARACTERISTICS编带包装TAPE PACKING











